Pabi GmbH


Ihr Hersteller von Teleskopschienen für schwere Lasten


Maschinenbau


TTP 100-Vollauszug

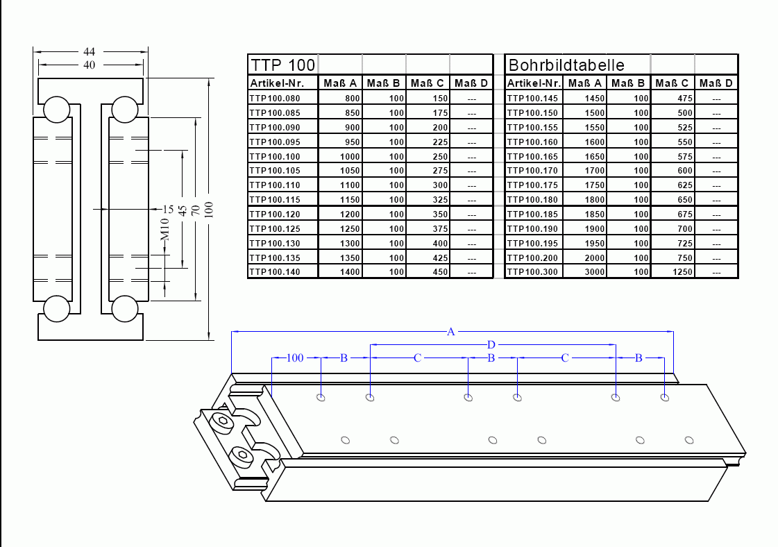
Der TTP 100-Vollauszug bietet sehr hohe Belastbarkeit. Die Befestigung erfolgt durch 12 Gewindebohrungen M10.

Auszuglänge = Einbaulänge
Gesamtlänge = Einbaulänge + Auszuglänge
TTP-Vollauszug
Typ: TTP 100
Artikel-Nr. TTP100....

Artikel-Nr. Einbaulänge
in mm
Belastung
in kg*
TTP100.080 800 880
TTP100.085 850 900
TTP100.090 900 920
TTP100.095 950 940
TTP100.100 1000 960
TTP100.105 1050 980
TTP100.110 1100 1000
TTP100.115 1150 980
TTP100.120 1200 960
TTP100.125 1250 940
TTP100.130 1300 920
TTP100.135 1350 900
TTP100.140 1400 880
TTP100.145 1450 860
TTP100.150 1500 840
TTP100.155 1550 820
TTP100.160 1600 800
TTP100.165 1650 780
TTP100.170 1700 760
TTP100.175 1750 740
TTP100.180 1800 720
TTP100.185 1850 700
TTP100.190 1900 680
TTP100.195 1950 660
TTP100.200 2000 650
* Belastung pro Paar in ausgezogener Position, gleichmäßiger Gewichtsverteilung und senkrechtem Einbau.
Produktdownloads
 · Datenblatt

 · Bohrbild inkl. Tabelle
Bohrbild

 · Video Vollauszug-Variante
Video Vollauszug

 · Video Über-Überauszug-Variante
Video Über-Überauszug

 · Video Vor- und Rücklauf mit Durchlaufsperre
Video Über-Überauszug
PABI GmbH | Berger Straße 21 | 61138 Niederdorfelden | Fon +49 6101/41490 | Fax +49 06101/48457